| Home | Audiophool | Radiophool | Technophool | Made in Rochester |
Made in Rochester
Rochester NY is the area where I grew up and have worked for thirty
or so years. While I have worked at a few companies that produced
products using vacuum tubes, the ones I include here are audio and radio
manufaturers. The first one comes from the big yellow box - Eastman
Kodak. Here's an 8 watt amplifier from a 16mm movie projector, circa
1960:
Closeup of label:
Bottom:
Schematic
Another Kodak projector amp (this one has magnetic recording/playback)
:
Schematic
Here's a 20 Watt per channel stereo amplifier from Stromberg Carlson,
model ASP-422:
Closeup of chassis (bias test jacks and fuse aren't original):
One of the previous owners must have worked for S-C, since there were
several factory prints with it.
Factory Specifications
Power transformer and output
transformer specs
Schematic and service notes are below.
A spec sheet for the mythically rare 6DY7 tube (used nowhere else I know of...)
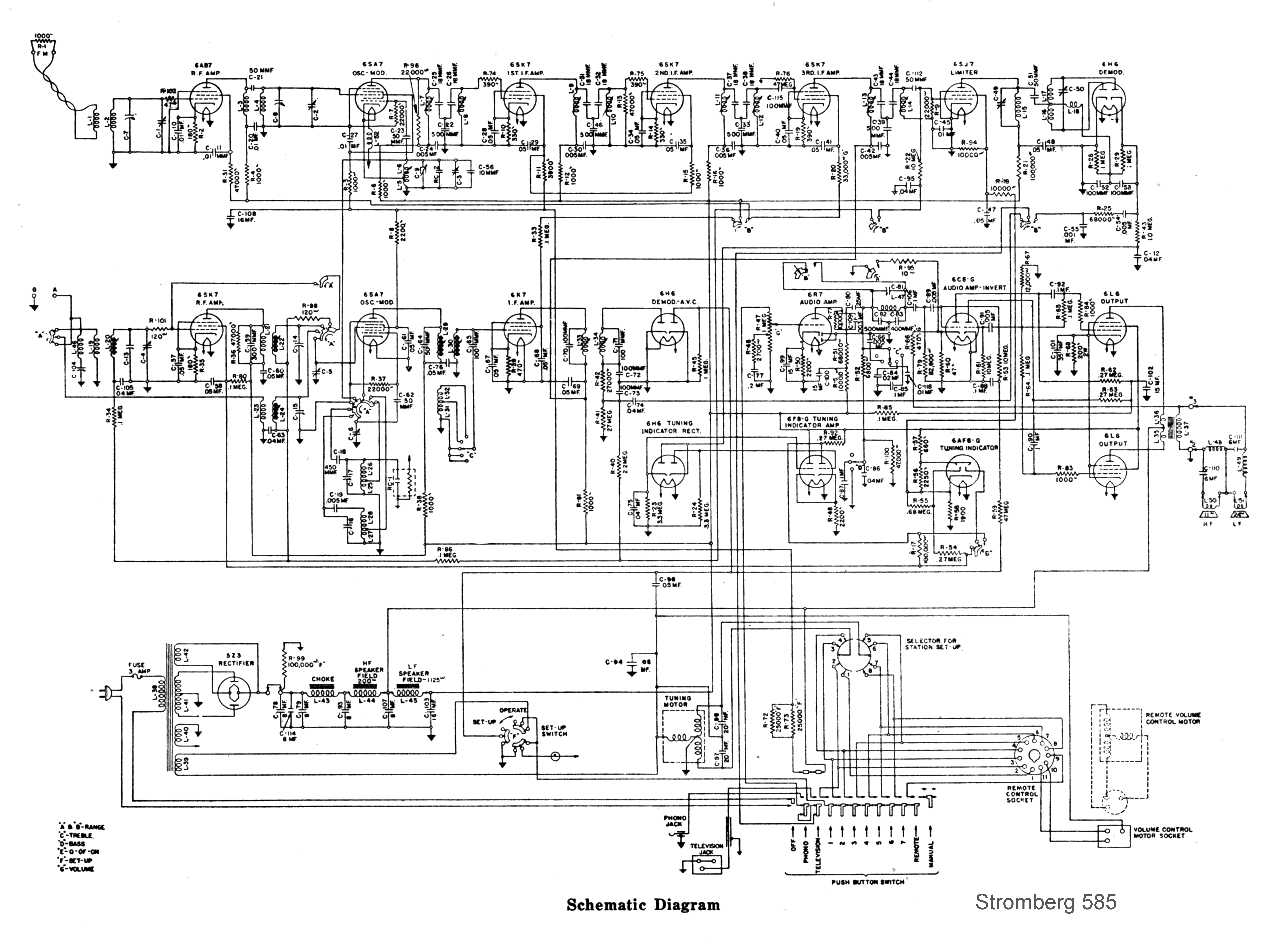
Here's a Stromberg Carlson Radio from 1940 - model 405:
Inside this fancy cabinet is a fairly basic All American Five circuit,
though it appears to be built to Stromberg's high quality standards.
The dial is calibrated in kilocycles and meters - it's AM broadcast band
only.

The current owner bought this in California. To his surprise,
the pushbuttons were marked with Rochester area
stations, so it was coming back home after all these years.
Another Stromberg Carlson amp, model ASR-120 from a console that also had an AM/FM simulcast tuner, which would date it to the early 60s. Here's a schematic. (7199 driver tubes were replaced with 6U8.) And underneath:
I found this 1940 Stromberg Carlson model 420H at an auction. Pretty
basic circuit wth no RF stage, but it does have an eye tube.
Here's a variable capacitor made in Rochester by Precise Manufacturing, maybe 1930 or so - the oddly shaped plates are for "Straight Line Tuning":
Another Stromberg amp - the ASR-433. I had one of these about 30 years ago (it might have been an ASR-333)...
The ASR-333 is similar, without the magnetic phono preamp. Schematic and service info is below.
Two radios needing a little work....
1946 Stromberg 1101H - needs dial glass and a bit of paint...
1955 Stromberg EP-2 portable.
A hamfest buy - AU-32 PA amp. Gave it to my brother to use as
a bass guitar amp.
This ASR-444 amp looks familiar... the preamp section is identical to the ASR-433 above.
Horizontal mounting was needed to get the output tubes under the cover.
Put on your asbestos gloves before you reach for those speaker terminals!
Underneath - the "bumblebee" caps must go!
This is the "correct" output tube - unfortunately, I only have one,
and it's weak, so a motley assortment of 6L6GCs will have to do.
This might be the ONLY all solid state product Stromberg Carlson ever
made - an FM multiplex decoder.
Stromberg "Roadkill"
The receiver below was found by the road on garbage day... an SR-406.
With the RARE rack mount panel...
It's pretty crusty, so I don't feel any guilt in stripping it for parts...
the 6L6s and 12AX7s tested good...
Roger Jones from Toronto sent this photo of his AR-411:
The logo on top:
A neighbor sold this Stromberg ASR-333 amp on eBay, and gave me these pictures:
And here's a matching SR-445 tuner:
This saddle shoe of a radio is a 1942 Stromberg model 900H.
Found this 1957 Stromberg SR-407 AM/FM receiver at the AWA swap meet.
Wood case
is pretty good, but could use a touch-up.
1931 Stromberg radio brochure, and 1940 radio/TV brochure and a 1949 brochure: Low-res (500K) and Hi-res version (3.3 MB), all from Mik Long (DjVu format)
Here's a 1936 radio brochure, 1941 radio brochure Low-res (650K) and Hi-res (7.5 MB)
1947 Stromberg brochure, a 1957 or so hi-fi brochure, and a 1962 or so brochure. All are DjVu format.
Mid '50's console brochure, and a a two-page one on that newfangled idea - stereo.
1953 or so Stromberg Custom 400 series brochure (SR-401, AR-410, AR-425) (DjVu)
1958 hi-fi catalog with Stromberg's first stereo amplifier - Lo-res DjVu (600 KB) and Hi-res DjVu (Big file- 9.6 MB)1960-61 Stromberg stereo catalog - Lo-res DjVu (1.1 MB) and Hi-res DjVu (Big file- 12.8 MB)
1962 Stromberg stereo brochure, "Styled by Federico" - Low-res DjVu (750K) and Hi-res DjVu (6.5 meg)
My list of console models and chassis numbers: pdf
The Shrine of the Ancient and most Excellent Stromberg
Carlson AP-55
And one for the AP-80,
and another for the APH-1050
"There is Nothing Finer than a Stromberg Carlson" - and only ONE car was fine enough to deserve a Stromberg Carlson radio from the factory... This one!
Many Stromberg Carlson radio models are pictured at Radio Attic and at AntiqueRadios.com's Gallery
A 1931 Stromberg service manual (DjVu format). 20's - 50s Stromberg info from Riders (pdf) and Beitmans (DjVu)
1937 Stromberg parts catalog: pages 1-30, pages 31-50, 1938 parts and tools (DjVu), and 1939 addendum
I've scanned most of the Sams folders I have for Stromberg (except TVs - only by request... at the bottom) Everything I have is listed below - though some remain to be scanned. If you have any I don't have, (some missing ones are shown in gray) I'd be happy to get a scan or a loan to add it. Also, I have some Canadian Stromberg schematics from the Radio College of Canada books, 1920's to 1948, which will be added eventually too (at least those that aren't duplicates of US models).
When the schematic is shown separately, it's usually a paste-up of multiple
pages - i.e. BIG! Right click, Save As..., open in a graphics
program. Many are bigger than the maximum picture size for Internet
Explorer (display as box with an "X") - no problem in Netscape or Firefox.
| Model | Year | ||
| 85-SE (Edsel) car radio | 1958 | S-C Service Data | Sams folder 402-8 |
| 87-SE (Edsel) car radio | 1958 | S-C Service Data | Sams folder 403-7 |
| 541, 552 / 662 (Canadian) | 1946 | RCC Schematics (pdf) | |
| 553, 561 (Canadian) | 1946 | RCC Schematics (pdf) | |
| 674, 694 (Canadian) | 1946 | RCC Schematics (pdf) | |
| 752, 761 (Canadian) | 1946 | RCC Schematics (pdf) | |
| 863 (Canadian) | 1948 | RCC Schematics (pdf) | |
| 872 (Canadian) | 1948 | RCC Schematics (pdf) | |
| 1020, 1120 | 1946 | S-C Service Notes | (See 1220) |
| 1100H AM radio | 1947 | S-C Service Notes | Sams folder 20-31 |
| 1101H AM radio | 1946 | Sams Schematic Riders pages S-C Service Notes | Sams folder 2-9 |
| 1105 battery radio | 1947 | S-C Service Notes | Sams folder 18-29 |
| 1110 AM / SW radio | 1947 | S-C Service Notes | Sams folder 18-30 |
| 1121 AM / FM radio | 1946 | Schematic Instructions S-C Service Notes | Sams folder 10-31 |
| 1135 AM / FM | 1946 | S-C Service Notes Schematic | Sams folder 23-26 |
| 1200/1400 AM radio | 1949 | S-C Service Notes | Sams folder 57-20 |
| 1202 AM / Phono | 1949 | S-C Service Notes | Sams folder 55-21 |
| 1204 AM / FM radio | 1947 | S-C Service Notes | Sams folder 34-22 |
| 1210 AM / FM | 1948 | S-C Service Notes | Sams folder 37-23 |
| 1220 AM / SW / Phono | 1948 | Schematic | Sams folder 50-19 |
| 1235 AM / FM Phono | 1948 | Sams folder 49-23 | |
| 1406 | 1949 | Riders Service data |
|
| 1407 | 1949 | S-C Service Notes | Sams folder 58-23 |
| 1408 | 1949 | (See 1210) | |
| 1409 AM / FM Phono | 1949 | S-C Service Notes | Sams folder 62-20 |
| 1500 AM radio | 1951 | Sams folder 132-15 | |
| 1507 console radio | 1951 | Schematic | Sams folder 133-13 |
| 1608 console | 1951 | Schematic | Sams folder 150-12 |
| 2051 radio / phono (Canadian) | 195? | RCC schematic | |
| 2061 (Canadian) | 195? | RCC Schematic | |
| AE-426 preamp | 1958 | S-C specifications | Sams folder 384-15 |
| AF-501, 502 | 1958 | Sams folder 385-11 | |
| AF-601 | 1959 | Sams folder 469-20 | |
| AF-631 | 1958 | Sams folder 422-15 | |
| AF-681K console | 1959 | Sams Schematic S-C Schematic |
Sams folder 464-18 |
| AM-441, AM-442, FM-443 | 1961 | (see SR-445) | |
| AP-428 mono amp | 1957 | S-C specifications | Sams folder 365-14 |
| AP-437 mono amp | S-C Schematic
S-C svc. notes 1 2 |
||
| AP-60 mono amp | 1955 | Sams folder 273-14 | |
| AR-37 mono amp | 1951 | Rider's PA manual | Sams folder 128-14 |
| AR-37A mono amp | 1952 | Schematic | Sams folder 175-15 |
| AR-410 mono amp | 1953 | Custom 400 series brochure | Sams folder 194-12 |
| AR-411 mono amp | 1957 | Sams folder 381-15 | |
| AR-415 mono amp | 1958 | Sams folder 420-9 | |
| AR-419 mono amp | 1957 | Schematic | Sams folder 379-14 |
| AR-420 mono amp | 1955 | Sams folder 301-10 | |
| AR-425 mono amp | 1953 | Custom 400 series brochure | Sams folder 199-12 |
| AR-430 mono amp | 1959 | Instructions S-C svc. notes: 1 2 | |
| AR-431 mono amp | 1959 | ||
| AR-432 mono amp | 1959 | Schematic | Sams folder 468-14 |
| ASE-434 stereo preamp | 1961 | Schematic | Sams folder 517-13 |
| ASP-422 stereo power amp | 1960 | S-C Schem S-C svc notes Instructions | Sams folder 511-13 |
| ASP-80 stereo power amp | 1961 | S-C Schematic | (See ASR-880) |
| ASR- 110, ASR-120 | 1962 | ASR-110 schem ASR-120 schem | Sams Folder 609-9 (pdf) |
| ASR-220A, B | 1962 | Instruction card | Sams Folder 577-14 |
| ASR-220C | 1962 | Sams Folder 584-12 (pdf) | |
| ASR-333 | 1961 | S-C Schematic | Sams Folder 520-12 (pdf) |
| ASR-433 / 444 stereo amps | 1960 | Schem S-C svc notes, instructions | Sams folder 487-14 |
| ASR-444 stereo amp | 1960 | S-C schematic Instructions | Sams schematic |
| ASR-660, ASE-6, ASP-60 | 1961 | Factory specification Instruction card | Sams folder 573-14 (pdf) |
| ASR-880, ASE-8 | 1961 | Schematic Instruction cards Factory QC spec | Sams folder 557-12 |
| AWP-8 battery SW radio | 1956 | Schematic Ad | Sams folder 307-14 |
| BP-1 battery radio | 1954 | 1954 ad | Sams folder 259-14 |
| C-1 AM clock radio | 1951 | Sams folder 153-14 | |
| C-3 AM clock radio | 1955 | 1954 ad | Sams folder 271-14 |
| C-5 AM clock radio | 1955 | Sams folder 283-12 1 2 3 4 | |
| C.A.R.7 Ford/Edsel car radio | 1959 | Sams folder 458-15 | |
| C.A.R.9 Ford/Edsel car radio | 1959 | Sams folder 455-17 | |
| CSA-1, CSA-2 amplifier | 1959 | S-C installation instructions | Sams folder 460-20 |
| EP-2 battery radio | 1955 | 1954 ad | Sams folder 270-16 |
| FM-443A FM tuner | 1962 | S-C schematic | |
| FR-503, -504 | 1957 | (see SR-407) | |
| FR-506, -507 | 1957 | Installation Instructions | (see SR-406) |
| FR-711 AM / FM / phono | 1958 | Schematic | Sams folder 417-13 |
| HFRP AM radio - phono | 1956 | Schematic | Sams folder 319-12 |
| HiFi Et | 1955 | Schematic (Beitmans) | Sams folder 263-14 |
| IM-60MX, IM-61PB car radios | 1962 | Schematic | |
| MPX-2 / MX-477 FM mpx | 1962 | Instructions | Sams sch. 584-svcr |
| PF-530, -535 phono | 1958 | Sams folder 423-21 | |
| PR-500 TT, base, arm, cab. | 1962 | Instructions | |
| RF-465 Speaker | 1958 | S-C Specifications | |
| RF-471 speaker | 1958 | S-C specifications | |
| RF-473 speaker | 1957 | S-C Specifications | |
| RF-483 speaker | 1960 | Instructions | |
| RP-721, 741, 761, 781 | 1962 | (see ASR-120) | |
| RS-506 / RS-516 speaker | 1962 | Instructions | |
| RX-462 crossover | 1962 | Instructions | picture |
| SF-682, -692, SFR-684, -694 | 1960 | (see ASR-433) | |
| SR-130 AM / FM tuner | 1962 | (see ASR-120) | |
| SR-401 AM / FM tuner | 1953 | Schematic Custom 400 brochure | Sams folder 191-18 |
| SR-402 AM / FM tuner | 1958 | S-C specifications | Sams folder 395-17 |
| SR-403B AM / FM tuner | 1958 | Sams folder 400-12 | |
| SR-405 mono receiver | 1954 | Schematic Custom 400 brochure 1953 ad | Sams folder 237-11 |
| SR-406 mono receiver | 1957 | Schematic | Sams folder 364-14 |
| SR-407 mono receiver | 1957 | Sams folder 362-12 | |
| SR-440 AM / FM tuner | 1960 | Schematic | (see ASR-433) |
| SR-445 AM / FM tuner(s) | 1961 | Schematic Instructions | Sams folder 531-11 |
| SR-445A AM / FM tuner(s) | 1962 | Schematic Instruction card | Sams folder 590-13 |
| T-4 AM radio | 1955 | 1954 ad | Sams folder 268-14 |
| TV Model | Year | ||
| 16, 17, 116 | 1951 | TV schematic | |
| 24 - TV / radio / phono | 1951 | Radio schematic | TV schematic |
| TC-125 | 1950 | Installation instructions | |
| TV-125 (Ch. TV-12) | 1949 | TV schematic |
Thanks to Kirt Blattenberer of RF Cafe, Paul Lefebvre, Ralph Fresh, Brian
McAllister, Scott Bowen, Scott Faller, Peter Simmons, Roy Skaggs, Meade
Grazier, Lynn Glanton, Fred Miller, Don Schmelzer, and Jim Dutridge for
copies and scans! And thanks to the Antique Wireless Museum - recent scans are from their manuals.
| Home | Audiophool | Radiophool | Technophool | Made in Rochester | Shameless Commerce |